首頁 >> 產品中心 >> 散熱器(參數及尺寸) >> GLⅡ型散熱排管
GLⅡ型散熱排管
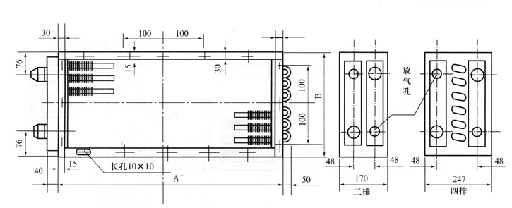
GLⅡ型為鋼制雙回路(二排)或多回路(四排)的空氣熱交換器,翅片管用Φ18×2mm無縫鋼管繞制上10×0.3mm皺折鋼帶而成,呈螺旋狀,其片距為3.2mm,可有各種表面管數,管長,排數組成多種規格。進出水管位于同一側,工作熱源為蒸汽或高溫水,冷源為低溫水或鹽水,可用作空氣加熱器或空氣冷卻器,是—種經濟耐用通用性較強的散熱器。
GLⅡ型編號方法:
型號-排數-表面管數-表面管長(英寸)
如采用四排,表面管數為10,管長為42英寸時,則為GLⅡ-4-10-42。




